Lab 7
Introduction
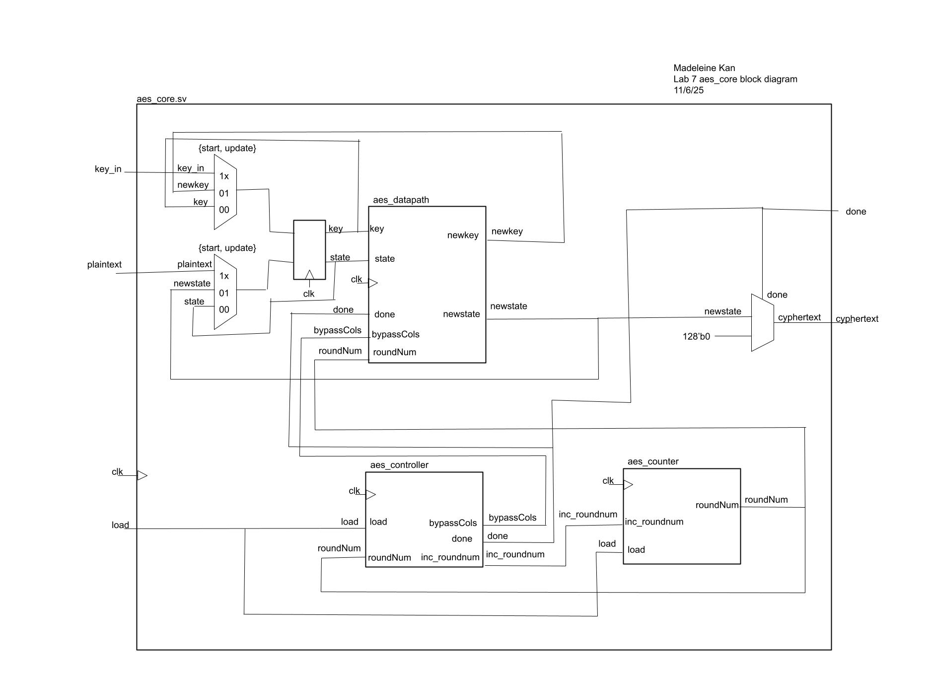
Lab 7 uses the MCU and the FPGA together to perform encryption on a 128-bit long string according to AES-128. There, the FPGA serves an accelerator for the 10 rounds of encryption. Information is communicated between the MCU and the FPGA over SPI.
Block Diagrams
The block diagrams for the design are as follows:
top-level aes module (performs aes encrpytion and transmits results over spi)

aes core module (performs aes encrpytion using aes datapath, controller FSM, and counter FSM):

aes datapath (performs one round of aes encryption):

controller fsm (controller for aes datapath):

counter fsm (counts rounds of encryption, up to 10 for AES-128):

Code:
/////////////////////////////////////////////
// aes
// Top level module with SPI interface and SPI core
/////////////////////////////////////////////
module aes(input logic sck,
input logic sdi,
output logic sdo,
input logic load,
output logic done,
output logic led);
logic [127:0] key, plaintext, cyphertext;
// sck = pB3 = P21
// cipo = sdo = pb4 = p12
// copi = sdi = pb5 = p10
// load = pa5 = p26
// done = pa6 = p27
logic clk;
hsosc clock(clk);
aes_spi spi(sck, sdi, sdo, done, key, plaintext, cyphertext);
aes_core core(clk, load, key, plaintext, done, cyphertext);
logic [23:0] counter;
always_ff @(posedge clk)
counter <= counter + 24'b1;
assign led = counter[23];
endmodule
/////////////////////////////////////////////
// aes_core
// top level AES encryption module
// when load is asserted, takes the current key and plaintext
// generates cyphertext and asserts done when complete 11 cycles later
//
// See FIPS-197 with Nk = 4, Nb = 4, Nr = 10
//
// The key and message are 128-bit values packed into an array of 16 bytes as
// shown below
// [127:120] [95:88] [63:56] [31:24] S0,0 S0,1 S0,2 S0,3
// [119:112] [87:80] [55:48] [23:16] S1,0 S1,1 S1,2 S1,3
// [111:104] [79:72] [47:40] [15:8] S2,0 S2,1 S2,2 S2,3
// [103:96] [71:64] [39:32] [7:0] S3,0 S3,1 S3,2 S3,3
//
// Equivalently, the values are packed into four words as given
// [127:96] [95:64] [63:32] [31:0] w[0] w[1] w[2] w[3]
/////////////////////////////////////////////
module aes_core(input logic clk,
input logic load,
input logic [127:0] key_in,
input logic [127:0] plaintext,
output logic done,
output logic [127:0] cyphertext);
logic inc_roundnum, start, update, bypasscols;
logic [3:0] roundnum;
logic [127:0] state, key, newstate, newkey, oldstate, oldkey;
always_ff @(posedge clk) begin
if (start) begin
key <= key_in;
state <= (plaintext ^ key_in);
end else if (update) begin
key <= newkey;
state <= newstate;
end
else begin
key <= key;
state <= state; // will become an issue in later rounds
end
end
aes_controller_fsm controller(clk, load, roundnum, start, update, bypasscols, done, inc_roundnum);
aes_counter_fsm counter(clk, inc_roundnum, load, roundnum);
aes_datapath dp(clk, bypasscols, done, roundnum, state, key, newstate, newkey);
assign cyphertext = done? newstate : 128'b0;
endmodule/////////////////////////////////////////////
// aes_datapath
//
// See FIPS-197 with Nk = 4, Nb = 4, Nr = 10
//
// The key and message are 128-bit values packed into an array of 16 bytes as
// shown below
// [127:120] [95:88] [63:56] [31:24] S0,0 S0,1 S0,2 S0,3
// [119:112] [87:80] [55:48] [23:16] S1,0 S1,1 S1,2 S1,3
// [111:104] [79:72] [47:40] [15:8] S2,0 S2,1 S2,2 S2,3
// [103:96] [71:64] [39:32] [7:0] S3,0 S3,1 S3,2 S3,3
//
// Equivalently, the values are packed into four words as given
// [127:96] [95:64] [63:32] [31:0] w[0] w[1] w[2] w[3]
/////////////////////////////////////////////
module aes_datapath(input logic clk,
input logic bypassCols, done,
input logic [3:0] roundNum,
input logic [127:0] state,
input logic [127:0] key,
output logic [127:0] newstate,
output logic [127:0] newkey);
logic [127:0] state_subbytes, state_shiftrows, state_shiftedrows, state_mixcols, state_readyforkeys;
logic [31:0] w0, w1, w2, w3;
keyexpansion k(clk, key, roundNum, newkey);
// key is ready 2 rising edges after rising edge is loaded
assign {w0, w1, w2, w3} = newkey;
subbytes sb(state, clk, state_subbytes); // takes a clk cycle
shiftrows sr(state_subbytes, state_shiftrows);
always_ff @(posedge clk) begin
state_shiftedrows <= state_shiftrows;
end
mixcolumns mc(state_shiftedrows, state_mixcols);
assign state_readyforkeys = bypassCols? state_shiftedrows : state_mixcols;
//addkeys
assign newstate = state_readyforkeys ^ newkey;
endmodule// FSM for controller for AES datapath
module aes_controller_fsm(input logic clk, load,
input logic [3:0] roundnum,
output logic start, update, bypasscols, done, inc_roundnum);
typedef enum logic [3:0] {idle, ready, start_first, start_cont, shiftrows, subbytes, mixcols, dontmix, finish} statetype;
statetype state, nextstate;
// assign nextstate = idle;
// state register
always_ff @(posedge clk)
state <= nextstate;
// state transition + output logic
always_comb
case(state)
idle: begin
start = 1'b0;
update = 1'b0;
inc_roundnum = 1'b0;
bypasscols = 1'b0;
done = 1'b0;
if (load) begin
nextstate = ready;
end else begin
nextstate = idle;
end
end
ready: begin
start = 1'b0;
update = 1'b0;
inc_roundnum = 1'b0;
bypasscols = 1'b0;
done = 1'b0;
if (!load) begin
nextstate = start_first;
end else begin
nextstate = ready;
end
end
start_first: begin
start = 1'b1;
update = 1'b0;
inc_roundnum = 1'b1;
bypasscols = 1'b0;
done = 1'b0;
nextstate = subbytes;
end
start_cont: begin
start = 1'b0;
update = 1'b1;
inc_roundnum = 1'b1;
bypasscols = 1'b0;
done = 1'b0;
nextstate = subbytes;
end
subbytes: begin
start = 1'b0;
update = 1'b0;
inc_roundnum = 1'b0;
bypasscols = 1'b0;
done = 1'b0;
nextstate = shiftrows;
end
shiftrows: begin
start = 1'b0;
update = 1'b0;
inc_roundnum = 1'b0;
bypasscols = 1'b0;
done = 1'b0;
if (roundnum >= 4'd10) begin
nextstate = dontmix;
end else begin
nextstate = mixcols;
end
end
mixcols: begin
start = 1'b0;
update = 1'b0;
inc_roundnum = 1'b0;
bypasscols = 1'b0;
done = 1'b0;
nextstate = start_cont;
end
dontmix: begin
start = 1'b0;
update = 1'b0;
inc_roundnum = 1'b0;
bypasscols = 1'b1;
done = 1'b0;
nextstate = finish;
end
finish: begin
start = 1'b0;
update = 1'b0;
inc_roundnum = 1'b0;
bypasscols = 1'b1;
done = 1'b1;
nextstate = finish;
end
default: begin
start = 1'b0;
update = 1'b0;
inc_roundnum = 1'b0;
bypasscols = 1'b0;
done = 1'b0;
nextstate = idle;
// try staying at finish
end
endcase
endmodule// FSM to count how many rounds of cipher algorithm
// have been executed in AES
module aes_counter_fsm(input logic clk, inc_roundnum, load,
output logic [3:0] roundnum);
typedef enum logic [3:0] {s0, s1, s2, s3, s4, s5, s6, s7, s8, s9, s10} statetype;
statetype state, nextstate;
// state register
always_ff @(posedge clk)
if (load) state <= s0;
else state <= nextstate;
// state transition + output logic
always_comb
case(state)
s0: begin
if (inc_roundnum) nextstate = s1;
else nextstate = s0;
roundnum = 4'd0;
end
s1: begin
if (inc_roundnum) nextstate = s2;
else nextstate = s1;
roundnum = 4'd1;
end
s2: begin
if (inc_roundnum) nextstate = s3;
else nextstate = s2;
roundnum = 4'd2;
end
s3: begin
if (inc_roundnum) nextstate = s4;
else nextstate = s3;
roundnum = 4'd3;
end
s4: begin
if (inc_roundnum) nextstate = s5;
else nextstate = s4;
roundnum = 4'd4;
end
s5: begin
if (inc_roundnum) nextstate = s6;
else nextstate = s5;
roundnum = 4'd5;
end
s6: begin
if (inc_roundnum) nextstate = s7;
else nextstate = s6;
roundnum = 4'd6;
end
s7: begin
if (inc_roundnum) nextstate = s8;
else nextstate = s7;
roundnum = 4'd7;
end
s8: begin
if (inc_roundnum) nextstate = s9;
else nextstate = s8;
roundnum = 4'd8;
end
s9: begin
if (inc_roundnum) nextstate = s10;
else nextstate = s9;
roundnum = 4'd9;
end
s10: begin
// if (done) nextstate = s0;
// else
nextstate = s10;
roundnum = 4'd10;
end
default: begin
nextstate = s0;
roundnum = 4'd0;
end
endcase
endmodule/////////////////////////////////////////////
// subbytes
// apply sbox_sync to all elements of input
/////////////////////////////////////////////
module subbytes(input logic [127:0] a,
input logic clk,
output logic [127:0] y);
sbox_sync sb[15:0] (a, clk, y);
endmodule/////////////////////////////////////////////
// shiftrows
// Perform shiftrow on all 4 rows of the input
// Section 5.1.2, Figure 3
/////////////////////////////////////////////
module shiftrows(input logic [127:0] a, output logic [127:0] y);
// each row is 4 bytes or 32 bits long
logic [31:0] row0in, row1in, row2in, row3in;
logic [31:0] row0out, row1out, row2out, row3out;
assign row0in = {a[127:120], a[95:88], a[63:56], a[31:24]};
assign row1in = {a[119:112], a[87:80], a[55:48], a[23:16]};
assign row2in = {a[111:104], a[79:72], a[47:40], a[15:8]};
assign row3in = {a[103:96], a[71:64], a[39:32], a[7:0]};
shiftrow sr0(row0in, 2'b00, row0out);
shiftrow sr1(row1in, 2'b01, row1out);
shiftrow sr2(row2in, 2'b10, row2out);
shiftrow sr3(row3in, 2'b11, row3out);
assign {y[127:120], y[95:88], y[63:56], y[31:24]} = row0out;
assign {y[119:112], y[87:80], y[55:48], y[23:16]} = row1out;
assign {y[111:104], y[79:72], y[47:40], y[15:8]} = row2out;
assign {y[103:96], y[71:64], y[39:32], y[7:0]} = row3out;
endmoduleResults
The lab worked as expected! Below are testbenches and their associated waveforms.
Core testbench, zoomed out:

Core testbench, zoomed in:

alternate core test case, zoomed out:

alternate core test case, zoomed in:

datapath round 1, zoomed in

datapath round 10, zoomed in

spi, zoomed in

spi, zoomed out

keyexpansion, zoomed out

keyexpansion, zoomed in

shiftrows

subbytes

Summary
I probably spent ~30 hours on this lab!
AI Reflection
With context:
For the AI reflection, I prompted chatgpt to essentially impelment part of the key expansion module, given otherwise defined rotword and subword modules. For one prompt, I uploaded the FIPS 197 AES specifications pdf, and I asked ChatGPT to implement key expansion based on it. For another, I provided ChatGPT with the keyexpansion pseudocode, but all submodules were abstracted and I specifically asked ChatGPT not to use existing knowledge of AES specifications. The interactions are linked below:
https://chatgpt.com/share/6914f4ea-0a20-8006-b30a-0c86622abffa compiles! just doesn’t know what subword module is (since it isn’t defined lol) function automatic logic new
Without context: https://chatgpt.com/share/6914f69c-2e14-8006-892a-a21d3f702864 same as above
The first implementation of AES encryption key word generation that ChatGPT generated (With the AES specification as context) was quite good! When I added it to Radiant and specified it as the top-level module, it mostly compiled (aside from the rotword and subbytes modules not being recognized, as expected). One thing to note is that ChatGPT did assume subword to be combinational, which was not the case in my implementation due to the limits of FPGA memory. However, the response came with comments (both in and out of the code) that made this assumption clear. I’m sure this could have been remedied by specifying the architecture that the algorithm is being written for, outlining memory capacity concerns, or including my implementation of subword for reference. The code that ChatGPT generated also used a “function automatic logic”, which is new to me! The script also outlined a proposed implementation for the RotWord and SubWord modules, as well as an example function call using the keyWordGen module.
The second implementation of the AES encryption key word generation function was generated without prior knowledge of the AES encryption standard. Similar to above, once I specified the top level module, it compiled as expected, with the exception of missing the undefined module1 and module2. It also used genvar, which was new to me, but I had heard of it in passing for this class (unlike function automatic logic). Additionally, ChatGPT provided a helpful explanation on the genvar. While the in-line comments were useful, the lack of AES encryption context did hinder the readability/comprehensability of the code. However, it seems like the AI still did a good job implementing the pseudocode in SystemVerilog.